|
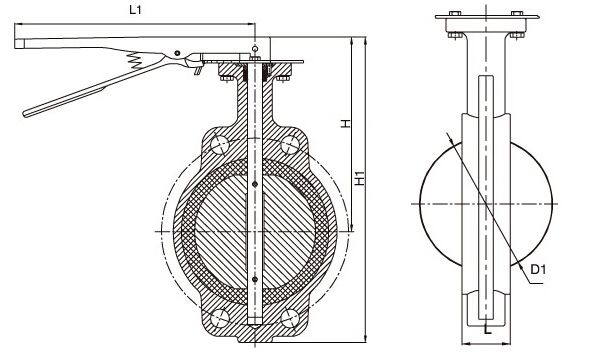
不锈钢手柄对夹蝶阀概述 软密封手柄对夹蝶阀采用中线型设计,阀座采用浮动式结构。阀门主要由阀体、蝶板、阀座、阀杆及传动操作机构等零件组成??晒惴河τ糜诟潘?、暖通及消防系统等流体管线上作为调节或截流装置使用。 手柄对夹蝶阀D71X原理作用: 蝶阀的启闭件是一个圆盘形的蝶板,在阀体内绕其自身的轴线旋转,从而达到启闭或调节的目的。蝶阀的优点有结构简单、体积小、重量轻、安装尺寸小、开关迅速。 手柄对夹蝶阀D71X性能特点: ①小型轻便,容易拆装维修,可任意位置安装;
![]()
|
||||||||||||||||||||||||||||||||||||||||||||||||||||||||||||||||||||||||||||||||||||||||||||||||||||||||||||||||||||||||||||||||||||||||||||||||||||||||||||||||||||||||||||||||||
-
不锈钢对夹式蝶阀D71X-16P 电动智能调节型dn40 50 100 150
-
手动蝶阀启闭方便迅速、省力、流体阻力小,可以经常操作。
-
具有体积小,重量轻,性能可靠,配套简单,流通能力大。
-
采用中线型结构,具有越关越紧的密封功能,密封性能可靠。
-
密封副材料选用球墨铸铁和丁腈耐油橡胶配对,使用时间长
-
不锈钢材质能有效防止锈蚀且只要更换密封阀座密封材料,就可使用于不同介质。


