|
Q44F/Q45F法兰三通球阀原理作用: Q44F/Q45F三通球阀可为L形和T形,L形(Q44F)三通球阀用于介质流向的切换,能使相互垂直的两个通道连接;T形(Q45F)三通球阀用于介质分流、合流及流向切换。T形三通可以使三个通道相互连通或使其中的两个通道连通。三通球阀一般采用两阀座结构,亦可根据用户要求采用四阀座结构。
Q44F/Q45F法兰三通球阀性能特点: 
Q44F法兰三通球阀技术参数: 公称压力 PN(MPa) | 试验压力 | | 壳体 | 高压液密封 | 低压液密封 | | 1.6 | 2.4 | 1.76 | 0.6 | | 2.5 | 3.75 | 2.75 | | 4.0 | 6.0 | 4.4 | | CLASS150 | 3.0 | 2.2 | | 应用规范 | 连接法兰 | JB79-59 GB9113、HG20592-97、ANSI B16.5 | | 检验试验 | JB/T 9092-99 、API598 |
Q44F/Q45F法兰三通球阀部件材质: | 零件名称 | 材料名称 | | 阀体 | WCB | 304(CF8) | 316(CF8M) | 316L(CF3M) | | 球体 | 2Cr13+氮化处理 | 304 | 316 | 316L | | 阀杆 | 2Cr13 | 304 | 316 | 316L | | 密封圈 | 聚四氟乙烯(PTFE)、增强聚四氟乙烯(PPL)、对位聚苯、柔性石墨 | | 适用介质 | 水、气体、蒸汽、油品 | 硝酸等腐蚀性介质 | 醋酸等腐蚀介质 | 尿素等腐蚀性介质 |
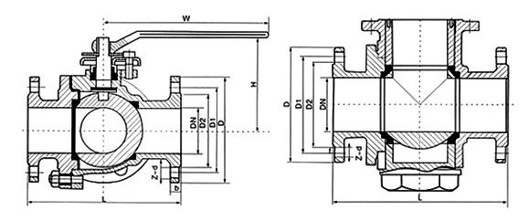
Q44F/Q45F法兰三通球阀外形尺寸: 
Q44F/Q45F三通L型球阀 主要连接尺寸 | 公称通径DN(mm) | 尺寸(mm) | | L | L2 | D | D1 | D2 | b | f | Z-d | H | W | | 15 | 150 | 72 | 95 | 65 | 45 | 14 | 2 | 4-14 | 95 | 130 | | 20 | 160 | 80 | 105 | 75 | 55 | 14 | 2 | 4-14 | 110 | 130 | | 25 | 180 | 90 | 115 | 85 | 65 | 14 | 2 | 4-18 | 120 | 140 | | 32 | 200 | 100 | 135 | 100 | 78 | 16 | 2 | 4-18 | 144 | 180 | | 40 | 220 | 110 | 145 | 110 | 85 | 16 | 3 | 4-18 | 152 | 220 | | 50 | 240 | 120 | 160 | 125 | 100 | 16 | 3 | 4-23 | 182 | 220 | | 65 | 260 | 130 | 180 | 145 | 120 | 16 | 3 | 4-18 | 193 | 240 | | 80 | 280 | 140 | 195 | 160 | 135 | 20 | 3 | 8-18 | 217 | 270 | | 100 | 320 | 160 | 215 | 180 | 155 | 20 | 3 | 8-18 | 245 | 350 | | 125 | 380 | 190 | 245 | 210 | 185 | 22 | 3 | 8-18 | 282 | 500 | | 150 | 440 | 220 | 280 | 240 | 210 | 24 | 3 | 8-23 | 319 | 600 | | 200 | 550 | 260 | 335 | 295 | 265 | 26 | 3 | 12-23 | 380 | 1000 | | 250 | 670 | 310 | 405 | 355 | 320 | 30 | 3 | 12-25 | 460 | 1400 | | 300 | 720 | 370 | 460 | 410 | 375 | 30 | 3 | 12-25 | 520 | 1800 |
Q44F/Q45F三通T型球阀 主要连接尺寸 | 公称通径DN(mm) | 尺寸(mm) | | L | L2 | D | D1 | D2 | b | f | Z-d | H | W | | 15 | 150 | 72 | 95 | 65 | 45 | 14 | 2 | 4-14 | 95 | 130 | | 20 | 160 | 80 | 105 | 75 | 55 | 14 | 2 | 4-14 | 110 | 130 | | 25 | 180 | 90 | 115 | 85 | 65 | 14 | 2 | 4-18 | 120 | 140 | | 32 | 200 | 100 | 135 | 100 | 78 | 16 | 2 | 4-18 | 144 | 180 | | 40 | 220 | 110 | 145 | 110 | 85 | 16 | 3 | 4-18 | 152 | 220 | | 50 | 240 | 120 | 160 | 125 | 100 | 16 | 3 | 4-23 | 182 | 240 | | 65 | 260 | 130 | 180 | 145 | 120 | 16 | 3 | 4-18 | 193 | 270 | | 80 | 280 | 140 | 195 | 160 | 135 | 20 | 3 | 8-18 | 217 | 350 | | 100 | 320 | 160 | 215 | 180 | 155 | 20 | 3 | 8-18 | 245 | 500 | | 125 | 380 | 190 | 245 | 210 | 185 | 22 | 3 | 8-18 | 282 | 600 | | 150 | 440 | 220 | 280 | 240 | 210 | 24 | 3 | 8-23 | 319 | 1000 | | 200 | 550 | 260 | 335 | 295 | 265 | 26 | 3 | 12-23 | 380 | 1300 | | 250 | 670 | 310 | 405 | 355 | 320 | 30 | 3 | 12-25 | 460 | 1700 | | 300 | 720 | 370 | 460 | 410 | 375 | 30 | 3 | 12-25 | 520 | 2100 |
|