|
Q41F天然气球阀原理作用: Q41F天然气球阀的关闭件是个球体,球体绕阀体心线作旋转来达到开启、关闭的一种阀门。Q41F天然气球阀在管路中主要用来做切断、分配和改变介质的流动方向。 Q41F天然气球阀采用特殊设计的双斜面弹性密封圈,有效的降低了球体与密封圈之间的摩擦力,减少了操作力矩。Q41F天然气球阀当介质压力较小时,密封圈与球体接触面积较小,故有较大的密封比压,确??煽棵芊狻5苯橹恃沽洗笫?,密封圈与球铁接触面积也相应增大。故密封圈能承受较大的介质推力而不会损坏,确??煽棵芊狻?/p> 天然气球阀Q41F性能特点: ①耐火结构:根据用户的需要,球阀可设计成耐火结构,当万一发生火灾而使密封圈烧损时,球阀的各个密封部位均能形成金属对金属的硬密封结构,有效阻止介质的扩散,防止火灾扩大;
②防静电结构:根据用户的需要,球阀可设计成防静电结构,即在球体与阀杆之间设置导电弹簧,使阀门在开启过程中产生的静电能通过所设置的静电通道传入管路导入地下,达到清除静电的目的,避免静电打火点燃介质,确保系统安全。
Q41F天然气球阀技术参数:
Q41F天然气球阀部件材质:
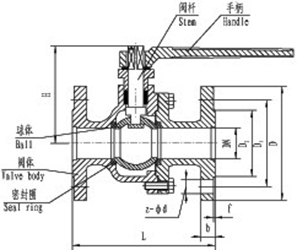
Q41F天然气球阀外形尺寸:
|
|||||||||||||||||||||||||||||||||||||||||||||||||||||||||||||||||||||||||||||||||||||||||||||||||||||||||||||||||||||||||||||||
-
阀体采用铸造工艺在通过热处理后抛丸、抛沙处理、质量可靠、外观好看。
-
根据工况要求可换密封圈耐温从-196-540℃可用。
-
可采用软密封或者硬密封可在各种氢气、氧气等气体、液体场合中使用。
-
本系列产品有调节型、调节切断型、波纹管密封型、夹套保温型等多种品种。
-
全通径结构设计、可禁油、带防火防静电功能。
-
根据用户提供的流量、压力提供选型规格书及控制方案图。




